Cummins / Cummins Детали / Электронный модуль управления (ECM), датчик, жгут проводов / Cummins Детали дизельного двигателя BGAS CGAS ISLGAS Датчик давления и температуры 4921483 4009913

Cummins Детали дизельного двигателя BGAS CGAS ISLGAS Датчик давления и температуры 4921483 4009913

Поделиться с:
facebook sharing button
twitter sharing button
line sharing button
wechat sharing button
linkedin sharing button
pinterest sharing button
whatsapp sharing button
sharethis sharing button
Cummins BGAS CGAS ISLGAS Датчик давления и температуры 4921483 4009913
  • 4921483 4009913

  • Cummins

Номер детали замены:
штат:
Количество:

PDF экспорт

Электронный каталог запчастей — Подробности опций
Двигатели 4Б3.9, 6А3.4, 6Б5.9, Б ГАЗ  МЕЖДУНАРОДНЫЙ CM556, B4.5, B4.5 CM2350 B129B, B4.5 CM2350  B146C, B4.5 CM2350 B147B, B4.5 РГТ, B4.5S, B5.9  G, B5.9 ГАЗ ПЛЮС CM556, B5.9 СУГ, B5.9 СУГ ПЛЮС CM556, B6.7  CM2350 B121B, B6.7 CM2350 B135B, B6.7 CM2350 B136C, B6.7  CM2350 B148B, B6.7 G CMOH6.0 B125, B6.7N CM2380  B150B, B6.7S, F3.8 CM2350 F120B, F3.8 CM2350 F128C, F3.8  CM2350 F132B, F3.8 F102, G3.9, G5.9, G5.9 CM558, ISB  (CHRYSLER), ISB CM2150, ISB CM2150 E, ISB CM550, ISB  CM850, ISB/ISD4.5 CM2150 B119, ISB/ISD4.5 CM2150  SN, ISB/ISD6.7 CM2150 B120, ISB/ISD6.7 CM2150 SN, ISB/ISD6.7  CM2880 B126, ISB3.9 CM2220 B107, ISB4.5 CM2150, ISB5.9G  CM2180, ISB6.7 2010 DCX ПИКАП, ISB6.7 2013 ШАССИ DCX  КАБИНА, ISB6.7 CM2150 SQ, ISB6.7 CM2250, ISB6.7 CM2350  B101, ISB6.7 CM2350 B103, ISB6.7 CM2350 B142, ISB6.7 CM2670  B153B, ISB6.7 G CM2180 B118, ISBE CM2150, ISBE  CM800, ISBE2/ISBE3 CM850, ISBE4 CM850, ISD4.5  CM2150, ISD6.7 CM2880 D101, ISF2.8 CM2220, ISF2.8 CM2220  AN, ISF2.8 CM2220 EC, ISF2.8 CM2220 ECF2, ISF2.8 CM2220  F101, ISF2.8 CM2220 F117, ISF2.8 CM2220 F122, ISF2.8 CM2220  F126, ISF2.8 CM2220 F129, ISF2.8 CM2220 IAN, ISF3.8  CM2220, ISF3.8 CM2220 AN, ISF3.8 CM2220 F103, ISF3.8 CM2220  F110, ISF3.8 CM2220 F116, ISF3.8 CM2220 F134B, ISF3.8 CM2220  IAN, ISF3.8 CM2350 F109, ISF4.5 CM2220 F123, ISG11 CM2880  G106, ISG11 CM2880 G108, ISG12 CM2880 G107, ISG12 CM2880  G109, ISG12 G CMOH6.0 G111, QSB3.9 30 CM550, QSB3.9 CM2880  B138, QSB4.5 30 CM550, QSB4.5 CM2150 B108, QSB4.5 CM2250  B131, QSB4.5 CM2250 EC, QSB4.5 CM2350 B106, QSB4.5 CM2350 B122

4009913

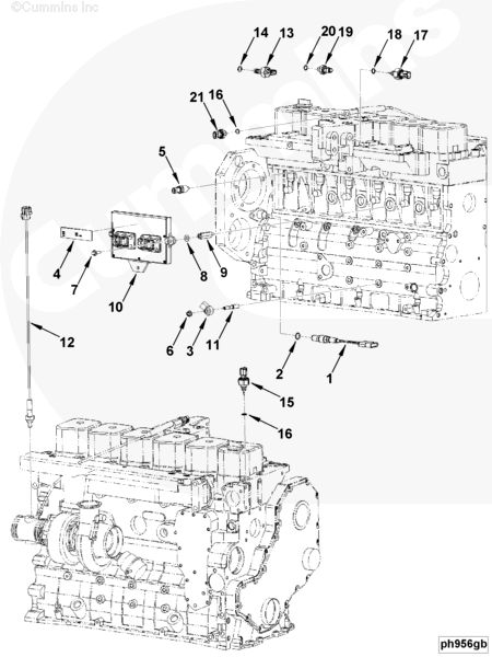
Корзина Ссылочный номер номер части Описание детали

PH9031-05 Двигатель   Модуль контроля

3408503 Позиция   Датчик 1
1 3408502 Позиция   Датчик 1
2 3046201 уплотнительное кольцо   Тюлень 1
3 3607945 Стук   Датчик 1
4 3609867 Табличка данных 1
5 3613547 Температура   Датчик 1
6 3900589 Шестиугольник   Фланцевая гайка 1
7 3900631 Шестиугольник   Винт с фланцевой головкой 2
8 3928759 Люверс   Тюлень 2
9 3936236 Резьбовой   Проставка 2
10 3977986 Электронный   Модуль контроля 1
11 3992125 Двойной   Конец простой шпильки 1
12 4001675 Кислород   Датчик 1
13 4062315 Влажность   Датчик 1
14 4010488 уплотнительное кольцо   Тюлень 1

3417195 Давление   Датчик температуры 1
15 3417196 Давление   Датчик температуры 1
16 3330202 уплотнительное кольцо   Тюлень 1

4009913 Давление   Датчик температуры 1
17 4009914 Давление   Датчик температуры 1
18 3330159 уплотнительное кольцо   Тюлень 1

3080408 Давление   Датчик 1
19 3083728 Давление   Датчик 1

3037537 уплотнительное кольцо   Тюлень 1
20 3348579 Давление   Датчик 1

3330202 уплотнительное кольцо   Тюлень 1
21 3348580 Давление   Датчик 1


предыдущий: 
следующий: 
Наш богатый опыт работы с двигателями и запасными частями Cummins делает нас надежным поставщиком в стране и за рубежом.

Следуйте за нами в социальных сетях

Быстрые Ссылки

Категория Продукта

Оставить сообщение
Связаться с нами
Связаться С Нами
Авторские права 2024 Hubei Qingbang Machinery Equipment Co., ltd. Технология Leadong. Sitemap.