5364772 Cummins QSL9.3 1-цилиндровый воздушный компрессор

Поделиться с:
facebook sharing button
twitter sharing button
line sharing button
wechat sharing button
linkedin sharing button
pinterest sharing button
whatsapp sharing button
sharethis sharing button
5364772 Cummins QSL9.3 1-цилиндровый воздушный компрессор
  • 5364772

  • Cummins

  • 6 месяцев

  • 1-7 дней

  • Подлинная оригинальная упаковка или Ne

Номер детали замены:
масса:
Размер:
штат:
Количество:

PDF экспорт

Электронный каталог запчастей — Подробности опций
Двигатели 6C8.3, C ГАЗ ПЛЮС  CM556, G8.3, G8.3 CM558, GTA8.3 CM558, ISC  CM2150, ISC CM554, ISC CM850, ISC8.3 CM2250, ISC8.3 G  CM2180 C101, ISL CM2150, ISL CM554, ISL CM850, ISL G  CM2180, ISL8.9 CM2150 L110, ISL8.9 CM2880 L112, ISL9 CM2150  СН, ISL9 CM2250, ISL9 CM2350 L101, ISL9 CM2350  L111, ISLE4 CM850, L GAS PLUS CM556, L8.9, L8.9  L121, L8.9G CMOH2.0 L125B, L9 CM2350 L116B, L9 CM2350 L119B, L9  CM2350 L120C, L9 CM2350 L123B, L9.3 L105, L9.5 L117, L9N  CM2380 L124B, QSC8.3 CM2250, QSC8.3 CM2880 C102, QSC8.3  CM554, QSC8.3 CM850(CM2850), QSL9 CM2250, QSL9 CM2250  L115, QSL9 CM2350 L102, QSL9 CM2350 L107, QSL9 CM2350  L118, QSL9 CM2350 L122, QSL9 CM554, QSL9  CM850(CM2850), QSL9 G CM558, QSL9 M CM2250 L106, QSL9.3 CM2880  Л113

5364772

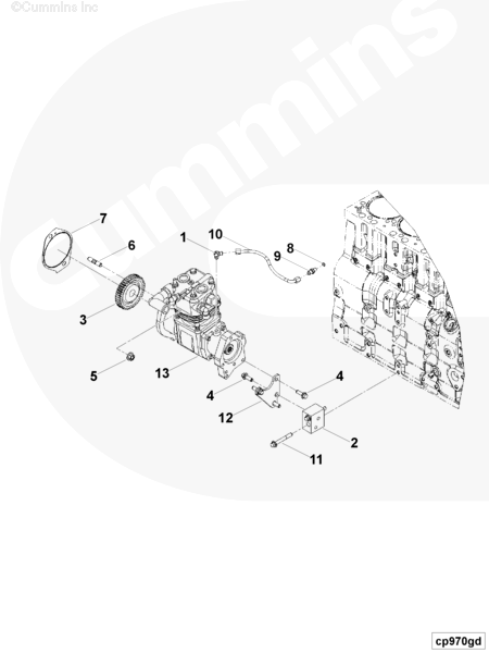
Корзина Ссылочный номер номер части Описание детали


CP9931-01 Воздух   Компрессор
1 3415333 Мужской   Адаптер Колено 1
2 3415606 Монтаж   Проставка 1
3 3415607 Аксессуар   Приводная шестерня 1
4 3903112 Шестиугольник   Винт с фланцевой головкой 4
5 3903210 Шестиугольник   Фланцевая гайка 2
6 3937122 Двойной   Конец простой шпильки 2
7 3940245 Гидравлический   Прокладка насоса 1

3976749 Мужской   Разъем 1
8 3678925 уплотнительное кольцо   Тюлень 1
9 3976677 Мужской   Разъем 1
10 4946716 Гибкий   Шланг 1
11 4991495 Шестиугольник   Винт с фланцевой головкой 2
12 5345578 Воздух   Скоба компрессора 1
13 5364772 Воздух   Компрессор 1


предыдущий: 
следующий: 
Наш богатый опыт работы с двигателями и запасными частями Cummins делает нас надежным поставщиком в стране и за рубежом.

Следуйте за нами в социальных сетях

Быстрые Ссылки

Категория Продукта

Оставить сообщение
Связаться с нами
Связаться С Нами
Авторские права 2024 Hubei Qingbang Machinery Equipment Co., ltd. Технология Leadong. Sitemap.