Cummins / Cummins Детали / Коромысло рычага в сборе, толкатель STC, толкатель кулачка / Совершенно новые детали дизельного двигателя Cummins 3685173 Сальник Cummins ISX QSX 3685173
Совершенно новые детали дизельного двигателя Cummins 3685173 Сальник Cummins ISX QSX 3685173 Совершенно новые детали дизельного двигателя Cummins 3685173 Сальник Cummins ISX QSX 3685173

loading

Совершенно новые детали дизельного двигателя Cummins 3685173 Сальник Cummins ISX QSX 3685173

Поделиться с:
facebook sharing button
twitter sharing button
line sharing button
wechat sharing button
linkedin sharing button
pinterest sharing button
whatsapp sharing button
sharethis sharing button
  • ISX QSX

  • Cummins

  • 3685173

Номер детали замены:
Размер:
Масса:
штат:
Количество:

PDF экспорт

3685173

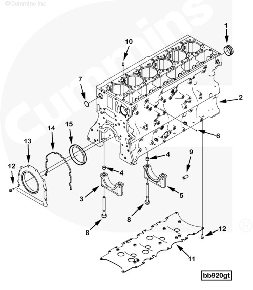
Корзина Ссылочный номер номер части Описание детали


BB2809-02

2874066 Цилиндр  Блокировать 1
1 2869839 Втулка 7
2 2874067 Цилиндр  Блокировать 1
3 2884751 Основной  Крышка подшипника 6
4 3678507 Кольцо  Дюбель 12
5 2884752 Основной  Крышка подшипника 1
4 3678507 Кольцо  Дюбель 2
6 3007632 Расширение  Затыкать 2
7 3015865 Расширение  Затыкать 4
8 2873989 Перелом  Устойчивый винт 14
9 3100706 Кольцо  Дюбель 1
10 3901846 Приколоть  Дюбель 2
11 2883240 Цилиндр  Блок жесткости 1
12 3903112 Шестиугольник  Винт с фланцевой головкой 17
13 2874044 Тюлень  Перевозчик 1
14 2870121 Передний  Уплотнение крышки 1
15 3685173 Масло  Тюлень 1
12 3903112 Шестиугольник  Винт с фланцевой головкой 8


предыдущий: 
следующий: 
Наш богатый опыт работы с двигателями и запасными частями Cummins делает нас надежным поставщиком в стране и за рубежом.

Следуйте за нами в социальных сетях

Быстрые Ссылки

Категория Продукта

Оставить сообщение
Связаться с нами
Связаться С Нами
Авторские права 2024 Hubei Qingbang Machinery Equipment Co., ltd. Технология Leadong. Sitemap.