Cummins / Cummins Детали / Топливный насос, форсунка, коллектор, ТНВД, датчик давления / Оригинальные детали морского дизельного двигателя ISC QSC Cummins Трубка слива топлива 4010174
Оригинальные детали морского дизельного двигателя ISC QSC Cummins Трубка слива топлива 4010174 Оригинальные детали морского дизельного двигателя ISC QSC Cummins Трубка слива топлива 4010174
Оригинальные детали морского дизельного двигателя ISC QSC Cummins Трубка слива топлива 4010174 Оригинальные детали морского дизельного двигателя ISC QSC Cummins Трубка слива топлива 4010174

loading

Оригинальные детали морского дизельного двигателя ISC QSC Cummins Трубка слива топлива 4010174

Поделиться с:
facebook sharing button
twitter sharing button
line sharing button
wechat sharing button
linkedin sharing button
pinterest sharing button
whatsapp sharing button
sharethis sharing button
ISC QSC Cummins Трубка слива топлива 4010174
  • 4010174

  • Cummins

Номер детали замены:
вес (кг):
Размер:
штат:
Количество:

PDF экспорт

Электронный   Каталог запчастей — подробности опций
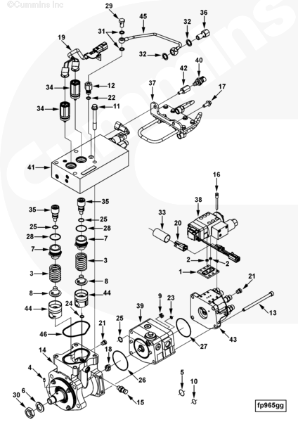
мотор 6С8.3, С   ГАЗ ПЛЮС CM556, G8.3, G8.3 CM558, GTA8.3 CM558, ISC   CM2150, ISC CM554, ISC CM850, ISC8.3 CM2250, ISC8.3 G   CM2180 C101, ISL CM2150, ISL CM554, ISL CM850, ISL G   CM2180, ISL8.9 CM2150 L110, ISL8.9 CM2880 L112, ISL9 CM2150   СН, ISL9 CM2250, ISL9 CM2350 L101, ISL9 CM2350   L111, ISLE4 CM850, L GAS PLUS CM556, L8.9, L8.9   L121, L8.9G CMOH2.0 L125B, L9 CM2350 L116B, L9 CM2350 L119B, L9   CM2350 L120C, L9 CM2350 L123B, L9.3 L105, L9.5 L117, L9N   CM2380 L124B, QSC8.3 CM2250, QSC8.3 CM2880 C102, QSC8.3   CM554, QSC8.3 CM850(CM2850), QSL9 CM2250, QSL9 CM2250   L115, QSL9 CM2350 L102, QSL9 CM2350 L107, QSL9 CM2350   L118, QSL9 CM2350 L122, QSL9 CM554, QSL9   CM850(CM2850), QSL9 G CM558, QSL9 M CM2250 L106, QSL9.3 CM2880   Л113

4010174

Корзина Ссылочный номер номер части Часть   Описание


ФП98655-01 Топливо   ТНВД

4010173 Топливо   насос 1
1 3329743 Контроль   Прокладка корпуса клапана 1
2 3329744 Ферруле   Тюлень 2
3 3329797 Сжатие   Весна 2
4 3329899 Приколоть   Дюбель 1
5 3330081 уплотнительное кольцо   Тюлень 1
6 3330252 Весна   Шайба 1
7 3330444 Бочка   слуга 2
8 3330448 Весна   слуга 2
9 3330644 Распределитель   Приводной концентратор 1
10 3330797 уплотнительное кольцо   Тюлень 1
11 3331002 Шестиугольник   Винт с фланцевой головкой 4
12 3347925 Топливо   Сливной соединитель 1
13 3347941 Разъем   Винт с головкой 4
14 3348179 Топливо   Корпус насоса 1
15 3348448 Быстрый   Отсоединить разъем 1
16 3348453 Шестиугольник   Винт с головкой 6
17 3417068 Шестиугольник   Винт с фланцевой головкой 1
18 3417071 Распределитель   Приводной концентратор 1
19 3417161 Электропроводка   упряжи 1
20 3417168 Резистор 1
21 3678923 Резьбовой   Затыкать 2
22 3867043 уплотнительное кольцо   Тюлень 1
23 3867480 уплотнительное кольцо   Тюлень 1
24 3867640 уплотнительное кольцо   Тюлень 1
25 3867641 уплотнительное кольцо   Тюлень 3
26 3867642 уплотнительное кольцо   Тюлень 1
27 3867645 уплотнительное кольцо   Тюлень 1
28 3867651 уплотнительное кольцо   Тюлень 2
29 3918002 Банджо   Соединительный винт 1
30 3926593 Обычный   Шестигранная контргайка 1
31 3935170 Уплотнение   Шайба 2
32 3935172 Уплотнение   Шайба 2
33 4001674 Нагревать   Термоусадочная трубка 1
34 4001966 Соленоид   Клапан 2
35 4001995 Бочка   и плунжер 2
36 4002006 Банджо   Соединительный винт 1
37 4009781 Топливо   Подающая трубка 1
38 4009865 Топливо   Регулирующий вентиль 1
39 4009999 Механизм   Топливный насос 1
40 4010051 Температура   Датчик 1
41 4010266 аккумулятор 1
42 4010084 Датчик   Адаптер 1
43 4010101 Топливо   Распределитель 1
44 4010103 Насос   толкатель 2
45 4010174 Топливо   Сливная трубка 1
46 4010636 Топливо   Уплотнение корпуса насоса 1


предыдущий: 
следующий: 
Наш богатый опыт работы с двигателями и запасными частями Cummins делает нас надежным поставщиком в стране и за рубежом.

Следуйте за нами в социальных сетях

Быстрые Ссылки

Категория Продукта

Оставить сообщение
Связаться с нами
Связаться С Нами
Авторские права 2024 Hubei Qingbang Machinery Equipment Co., ltd. Технология Leadong. Sitemap.